



Компактные устройства плавного пуска SBIM





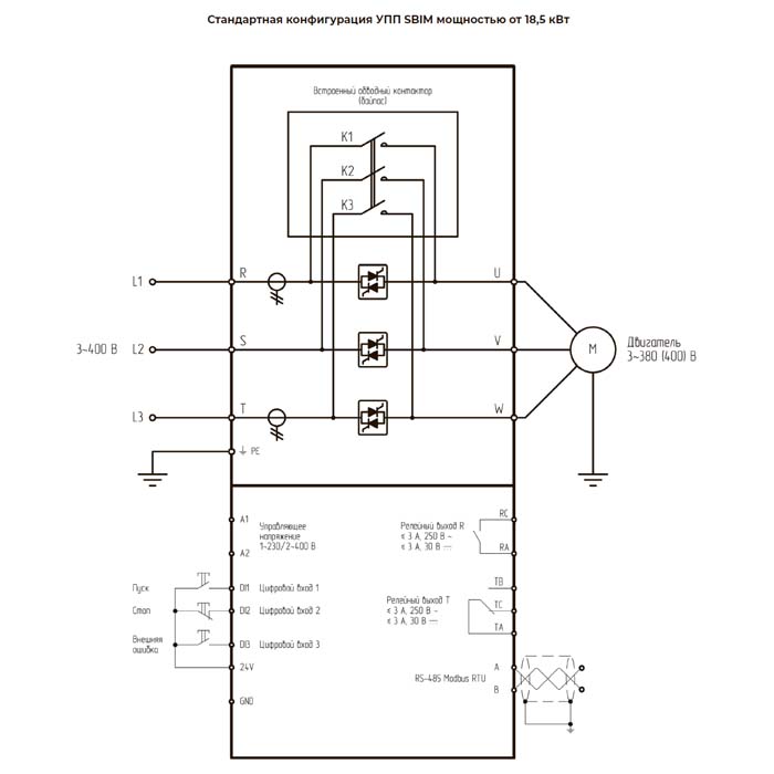
Современное промышленное производство требует использования эффективных решений для управления электродвигателями. Устройство плавного пуска SBIM-115/230-04 от ведущего производителя Instart — это высоконадежный прибор, предназначенный для оптимизации работы асинхронных двигателей. Данное оборудование обеспечивает плавное нарастание напряжения, что исключает возникновение токовых перегрузок и механических ударов в исполнительных механизмах.
| Модель | Мощность двигателя, кВт | Ток, А | Вход: | Размеры Ш*В*Г, мм | Вес (нетто), кг | Способ монтажа |
|---|---|---|---|---|---|---|
| - | - | - | - | - | - | - |
| SBIM -115/230-04 | 115 | 230 | 3 фазы, 342-440 В | 211x419x214 | 10 | Настенный |
| - | - | - | - | - | - | - |
Модель instart SBIM-115/230-04 создана для применения в самых разных отраслях: от систем водоснабжения и вентиляции до тяжелой машиностроительной индустрии. Основная задача, которую решает устройство плавного пуска instart SBIM-115/230-04, заключается в защите электрической сети и продлении эксплуатационного ресурса приводного оборудования.
Применение УПП SBIM-115/230-04 позволяет:
Технологическое решение SBIM-115/230-04 обладает компактными габаритами, что упрощает монтаж в электротехнические шкафы. Интуитивно понятная панель управления позволяет проводить быструю настройку рабочих параметров даже без глубоких навыков в программировании контроллеров.







Если вы планируете купить качественную силовую электронику, важно обращаться к проверенным поставщикам. Компания ООО "Люфтер" является официальным представителем, предлагающим оригинальную продукцию Instart с полной заводской гарантией. Мы обеспечиваем техническую поддержку на всех этапах — от подбора модели до ввода в эксплуатацию.
Наш офис и склад расположены в городе Киров, что позволяет оперативно осуществлять отгрузку и доставку оборудования по всей территории Свердловской области и в другие регионы России. Мы гарантируем конкурентные цены и наличие ходовых позиций на складе.
Для получения коммерческого предложения, уточнения актуальной стоимости или получения консультации по техническим характеристикам SBIM-115/230-04, свяжитесь с нашими специалистами.
Контактная информация ООО "Люфтер":
Выбирая продукцию Instart в компании «Люфтер», вы получаете уверенность в бесперебойной работе вашего предприятия и качественный сервис от профессионалов своего дела.